power conversion system (PCS)
Product Features:
Three level topology, with maximum efficiency of 99%
Intelligent air cooling, 45 ℃ ambient temperature without derating
Wide DC operating voltage range, 1500V full load operation
High protection level IP54, strong environmental adaptability
With VSG, VF, PQ, black start and other functions, supporting H/LVRT
Support multiple machines in parallel for easy expansion
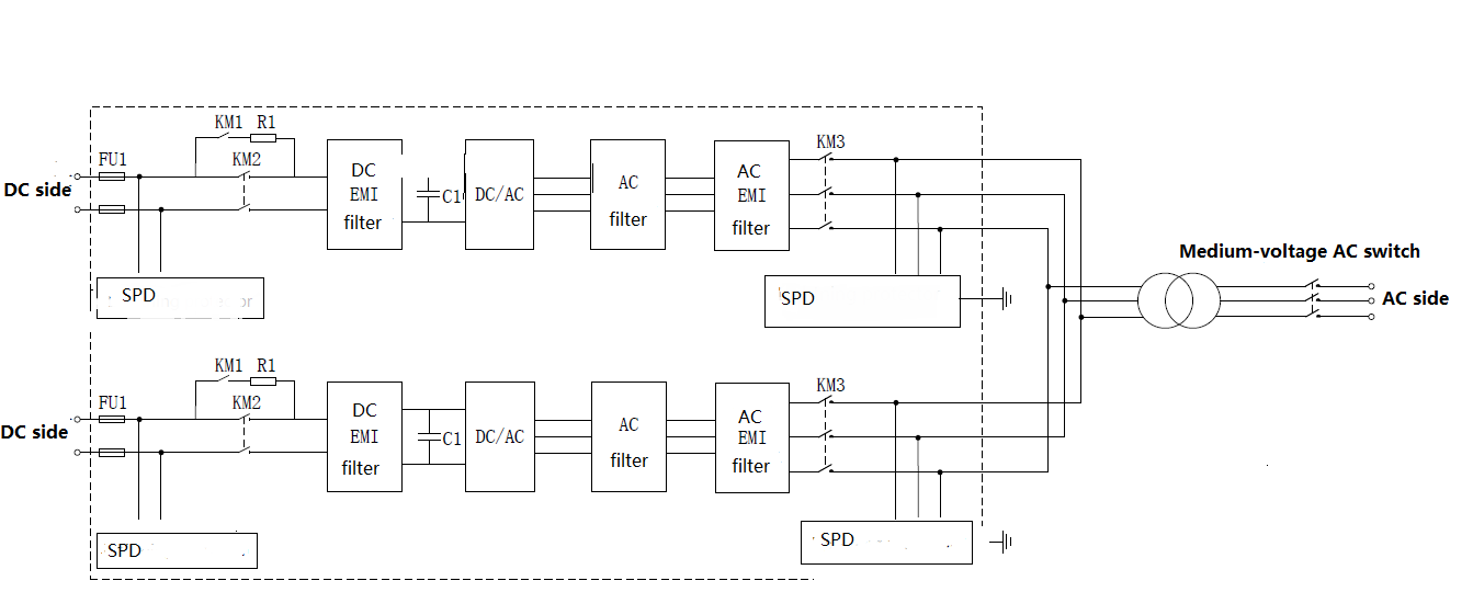
Electrical schematic diagram:
Technical specification:
| Model No. |
FGPCS-2.40M/0.48-35O |
FGPCS-2.75M/0.55-35O |
FGPCS-3.15M/0.63-35O |
FGPCS-3.45M/0.69-35O |
| DC parameters |
| Max DC input voltage |
1500V |
| DC input voltage range |
700~1500V |
800~1500V |
915~1500V |
1000~1500V |
| Max DC input current |
1936A*2 |
| DC input channels |
2 |
| AC parameters (On-Grid) |
| Rated AC power |
2400kVA@45℃/2640kVA@30℃ |
2750kVA@45℃/3025kVA@30℃ |
3150kVA@45℃/3465kVA@30℃ |
3450kVA@45℃/3795kVA@30℃ |
| Max AC current |
2886A@45℃/3174A@30℃ |
| Rated AC voltage |
480V |
550V |
630V |
690V |
| AC voltage range |
408~528V |
467.5~605V |
535.5~693V |
586.5~759V |
| Rated frequency range |
50Hz, 45~55Hz |
| AC THDi |
<3%(Full load) |
| Power factor |
>0.99(>20% load) |
| Reactive power adjustment |
-1~+1 |
| AC parameters (Off-Grid) |
| Rated AC voltage |
480V |
550V |
630V |
690V |
| AC voltage range |
408~528V |
467.5~605V |
535.5~693V |
586.5~759V |
| AC THDv |
<3%(Linear load) |
| Unbalanced load capacity |
100% |
| Rated frequency range |
50Hz, 45~55Hz |
| Transformer parameters |
| Isolation type |
Dry type/ Oil type transformer isolated |
| Transformer rated power |
2400kVA |
2750kVA |
3150kVA |
3450kVA |
| Transformer max power |
2640kVA |
3025kVA |
3465kVA |
3795kVA |
| LV/MV |
0.48kV/35kV |
0.55kV/35kV |
0.63kV/35kV |
0.69kV/35kV |
| System parameters |
| Max efficiency |
99% |
| Protection degree |
IP65(converter)/IP54(others) |
| Running temperature |
-30~+60℃(>45℃ derating) |
| Allowable humidity |
0~100% (No condensation) |
| Altitude |
5000m (>2000m derating) |
| Cooling mode |
Intelligent forced air cooling |
| Communication |
RS485, CAN, Ethernet |
| Dimension(W*H*D) |
6058×2896×2438mm |
| Weight |
14500kg (Dry type)/15000kg (Oil type) |
| |
|
|
|
|
|
|
|
|
|
Note:
1. The above dimensions are for reference only, please refer to the actual object for details;
2. Due to product upgrading, the content of this manual will be updated regularly. If you need to purchase our products, please follow the latest product manual.